H117-358 透平油压力开关 美国UE压力控制器 UE焊接316L不锈钢压力开关
![]() |
![]() |
![]() |
![]() |
![]() |
![]() |
![]() |
| 发布时间:2021-05-17 | ||||||
产品描述
H117压力开关特点是封装型密封瞬时开关,终端模块连接及环氧涂层铝制外壳。在危险及腐蚀性气氛环境下,选择117系列是*实用的,它结构小巧严紧,环氧涂层的外壳在恶劣苛刻环境下具有较强的抗腐性能。
H117系列产品广泛应用在供水及污水处理装置、泵及造纸行业、食品及饮料厂行业、钢铁厂及铝厂、石油化工和医药行业。
美国UE压力开关的主要应用
压力开关广泛应用于家用、商用、汽车制冷系统的高、低压力保护控制,蒸汽工况和发电站;蓄能器,接收器,闪蒸罐,分离器,洗涤器,炼油装置。
也可适用于各种设备工具的高、低压力保护控制。但在压力开关的选择中,须注意以下几点:
1.防爆的必要性:防爆形式分为隔爆型和本安型。
2.是否需要带指示:根据客户指示。
3. 接点数量:一接点(一个输出)或两接点(两个输出)。
4.设定值和压力范围的确定:推荐设定范围在压力范围的30%—65%之间,可设定范围为压力范围的15%—90%之间。
5.接断差的形式:可调式或固定式。
6.是否有脉动:如果压力有脉动或振动,需要带节流阀用以抑制脉动压力对仪表的损伤。
7.带隔膜的场合:测定腐蚀性、高黏度或温度过高时,需要选用带隔膜。
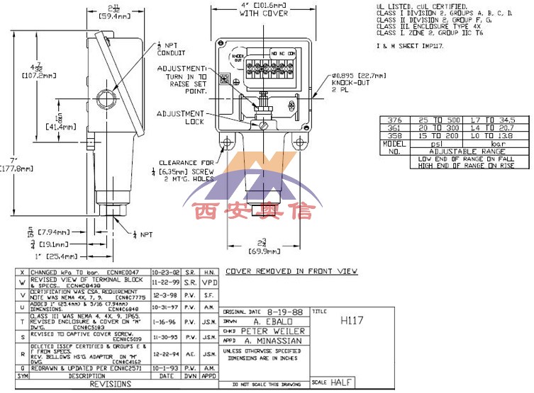
H117-358压力范围: 1.0-13.8bar 回差:0.4-1.4bar 焊接316L不锈钢 EXdII BT4防爆等级
压力开关选型须知
1.压力范围 2.Max压力 3.介质 4.是否防爆
遵循原则:
1.设定值在可调范围内
2.在可调范围中间1/3处性能*。
3.尽量不要选择在10%以下和90%以上
H117-358压力范围
| 型号 | 可调整压力范围 | 死区 | *压力 | 耐压 | 接液材质 | 压力接口 |
| H117-358 | 1.0-13.8bar | 0.4-1.4bar | 13.8bar | 55.2bar | 316L焊接不锈钢 | 1/4NPTF |
| H117-361 | 1.4-20.7bar | 0.6-1.5bar | 20.7bar | 55.2bar | 316L焊接不锈钢 | 1/4NPTF |
| H117-376 | 1.7-34.5bar | 0.7-1.9bar | 34.5bar | 55.2bar | 316L焊接不锈钢 | 1/4NPTF |


走进奥信
公司简介 联系我们解决方案
技术文章 行业应用我们的理念
用科技创新的理念撰写辉煌篇章,向世界展现一幅优品的设计蓝图。
专注的态度成就专业的品质,西安奥信与您携手追求时尚品。
购买的愉悦不仅仅是获得,更是其中的服务,以温馨的服务带来全新的体验。