美国UE压力开关 美国UE UE温度开关 UE差压开关 UE炉膛负压开关 UE高压开关 UE微压开关 H100-483
![]() |
![]() |
![]() |
![]() |
![]() |
![]() |
![]() |
| 发布时间:2021-05-17 | ||||||
工作原理
工作原理为纯机械形变导致微动开关动作。当压力增加时,作用在不同的传感压力元器件(膜片、波纹管、活塞)产生形变,将向上移动,通过栏杆弹簧等机械结构,zui终启动zui上端的微动开关,使电信号输出,设定方式从功能原理上又分成连续位移型和力平衡型。
关于炉膛负压的理解
炉膛负压是反映炉内压力大小参数,但大家在理解负压这个概念时,常常会和炉内*压力混淆,其实两者都是反映炉内压力情况的参数,但测量基准是不一样的,得到的结果也是相反的!
应用
·泵和压缩机
·流体动力/液压设备
·临界处理装置功能的极限保护
·防火系统
·热跟踪和低温保护
·温度控制系统
H100-483-M201 316L不锈钢膜片(可选择哈氏合金C,锰乃尔,钽等材质);氟橡胶GLT O型圈(可选Kalrez,乙丙烯或者是Alflas)316L不锈钢1/2”NPTF压力接口(可选哈氏合金B或C,锰乃尔等材质),0.06”感压孔。488及489型有一个316L不锈钢1/2”NPTF压力接口。(符合NACE MR-0175标准)。
H100-483-XY468 可调整设定范围 0.1 to 1.4 bar 工作压力 34.5 bar
性能特点
● 满足UL list 和 cUL *以及CE 标准
● 单点输出(SPDT 或DPDT)
● 焊接不锈钢膜片
● 水柱级低压和差压开关
● 多种可选择的传感材料可满足各种腐蚀性介质的需求
● 光洁的不锈钢卫生级别的接口
● *宽的死区可调可满足泵类需求
技术参数
存储温度 -65 to 160℉(-54—71℃)
环境温度 -40 to 160℉(-40 to 71℃);520-525、540-548、700-706、15731-15736:0 to 160℉(-18 to 71℃);环境温度每变化50℉(28℃),设定点典型漂移值小于全量程的1%
设定点重复性 温度开关:为可调范围的±1%;
压力开关:15623,15731-15737,171-174,218,270-376,520-535,540-543,
700-706,560-564 型号为可调范围的±1%;190-194,183-189,483-494,544-548,
565-567,610-680,15884 型号为可调范围的±1.5%。
所有压力开关都有内部设定点锁定装置。
抗冲击 经10 毫秒、15G 冲击实验后,可重现设定点
抗振动 经2.5G、5—500Hz 振动实验后,可重现设定点
外壳 铸铝合金压铸壳体;环氧树脂涂层;带密封垫的不锈钢抗干扰刻度盖卡紧螺丝。
外壳等级 符合NEMA 4X 要求。
开关输出 一个单刀双掷(SPDT)快速动作开关;可接成“常开型”或“常闭型”
触点电气额定值 15A,125/250/480VAC;H100-15623,15731-15737,15884,20A,125/250/480VAC;
B100-13546 和E100-13545:22A/480VAC。24-30VDC,2A 电阻,1A 电感。125VDC,
0.5A 电阻,.03A 电感。
重量 2—7 磅;(因型号而异)
电器接口 1/2"NPTF 接口;2 个7/8"直径的敲出孔
压力接口 15623,218,270-376,610-680,701-706,15731-15884 型:1/4”NPTF;171-194,
483-494,520-535,15737 型:1/2"NPTF;540-548 型:1/8"NPTF;560-564 型:2"
卫生等级连接;565-567:1.5"卫生等级连接。
温度组件 温包及毛细管:6 英尺,304 不锈钢材质;E100-13545, 10 英尺304 不锈钢.
直插式:镀镍黄铜(标准长度);B100-13546 不锈钢;可选316L 不锈钢材质。
填充 1BS/BC 型:填充溶剂;2-8 型
温度死区 F 型:典型值为1%;
B、C、E 型:在实验室条件下,典型值为设定点范围的2%
热追踪及低温保护 自动调温器是特地为热追踪和低温防护等应用而设计的,有B100 和E100 型的开关可用于周围环境追踪。
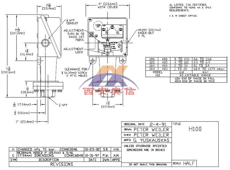
美国UE H100-48*系列产品型号及具体参数对应表:
| 型号 | 可调整压力范围 | 死区 | 工作压力 | 耐压 | 接液材质 | 压力接口 |
| H100-483 | 0.1-1.4 bar | 20.7-172.4 mbar | 34.5 bar | 68.9 bar | 316L不锈钢 | 1/2”NPTF |
| H100-484 | 0.1-3.4 bar | 20.7-206.8 mbar | 34.5 bar | 68.9 bar | 316L不锈钢 | 1/2”NPTF |
| H100-485 | 0.3-6.9 bar | 34.5-413.7 mbar | 34.5 bar | 68.9 bar | 316L不锈钢 | 1/2”NPTF |
| H100-486 | 0.6-13.8 bar | 0.1-0.8 bar | 34.5 bar | 68.9 bar | 316L不锈钢 | 1/2”NPTF |
| H100-488 | 3.4-68.9 bar | 1.7-8.6 bar | 137.9 bar | 482.6 bar | 316L不锈钢 | 1/2”NPTF |
| H100-489 | 17.2-241.3 bar | 3.4-20.7 bar | 275.8 bar | 482.6 bar | 316L不锈钢 | 1/2”NPTF |
实物图


走进奥信
公司简介 联系我们解决方案
技术文章 行业应用我们的理念
用科技创新的理念撰写辉煌篇章,向世界展现一幅优品的设计蓝图。
专注的态度成就专业的品质,西安奥信与您携手追求时尚品。
购买的愉悦不仅仅是获得,更是其中的服务,以温馨的服务带来全新的体验。