西安奥信UE J120-705美国UE压力控制器2.1-68.9bar防爆Exd开关
![]() |
![]() |
![]() |
![]() |
![]() |
![]() |
![]() |
| 发布时间:2021-11-12 | ||||||
J120-705美国UE压力控制器2.1-68.9bar防爆Exd开关
西安奥信自动化仪表有限责任是美国UE在*,美国UE成立于1931年,是一家总部位于马萨褚塞州的私人,目前已经成为生产经久耐用的机械式和电子式压力开关、压力变送器、差压开关、温度开关和温度传感器、记录仪的*。美国UE提供的产品从一个简单的零件到根据客户的特殊要求进行定制设计的控制产品,为在各种工业领域下对设备、工艺、人员提供专业的保护,大部分产品为顾客提供设备报警或关断功能,也通过精密传感器向控制系统提供准确的数据。在全世界各地,已在二十七个国家设立UE的机构,几乎所有的工业领域都可以找到UE的产品。
防爆开关的应用
1.防爆压力开关广泛应用在石油、化工、冶金、电力、制糖、制药等各行业需要压力控制的场所,在自动化控制系统中起压力保护的作用。其中全焊接不锈钢膜片是目前应用多,可靠性的压力保护方式,全焊接模式能够有效的防止漏液和误动作;有较强的抗腐蚀性;金属波纹管式控制器广泛用于以上行业各种腐蚀气体和液体,能够做到比不锈钢膜片式更高的压力;橡胶膜片式控制器用于中性气体和液体介质。
防爆压力开关可以广泛应用于石化、海上平台、水处理、医药、食品加工、造纸、电厂、煤气、矿业、生物、半导体、船舶、国防、管道等各个行业。当发生紧急情况时,防爆压力开关发出信号,保护设备,或者应用于一些执行机构如阀门前,或者元件如爆破片后,在存在危险的现场输出准确可靠的报警信号。
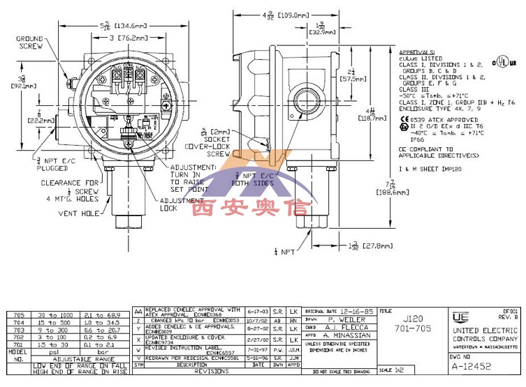
J120-705美国UE压力控制器2.1-68.9bar防爆Exd开关 丁腈橡胶膜片及O型圈 1/4NPTF镀镍黄铜压力接口 可选氟橡胶 动作值范围02.1-68.9bar 耐压172.4bar
应用领域
120系列产品满足了UL、CSA、FM及CENELEC等标准.可用于爆炸区域及强腐蚀气氛环境中.设备保护和人员安全等应用.
120系列可广泛地用于化工厂、炼油厂、钻井平台、输油管线以及煤粉、谷物尘埃区域.微压力传感器适用于加热炉通风、罐封系统及低气压管线等应用.
防爆压力开关的技术参数
1. 测量介质:对丁腈橡胶或316L不锈钢无腐蚀性的气体或液体
2. 外壳:压铸铝,环氧树脂涂层,带密封垫圈的外盖
3. 外壳等级:符合NEMA 4X要求
4. 设定点精度:±1%
5. 切换差:分为可调和不可调两种(参考选型表数据)
6. 重复性误差:<1%
7. 压力接口:标准1/2NPTF内螺纹;可根据现场需要,特殊订制
8. 电气接口:1/2″NPTF螺纹接口,可根据现场需要,特殊订制
9. 开关输出:一个单刀双掷(SPDT)输出;可在调整范围内进行分别设定;开关可接“常开型”或“常闭型”
J120-701/J120-702/J120-703/J120-704/J120-705压力范围:
| 型号 | 可调整压力范围 | 死区 | *压力 | 耐压 | 接液材质 | 压力接口 |
| J120-701 | 103.4mbar-2.1bar | 68.9mbar-0.1bar | 34.5bar | 41.4bar | 定睛橡胶膜片及O型圈 | 1/4NPTF |
| J120-702 | 0.2-6.9bar | 68.9mbar-0.3bar | 34.5bar | 41.4bar | 定睛橡胶膜片及O型圈 | 1/4NPTF |
| J120-703 | 0.6-20.7bar | 68.9mbar-0.5bar | 34.5bar | 41.4bar | 定睛橡胶膜片及O型圈 | 1/4NPTF |
| J120-704 | 1.0-34.5bar | 0.1-0.8bar | 103.4bar | 172.4bar | 定睛橡胶膜片及O型圈 | 1/4NPTF |
| J120-705 | 2.1-68.9bar | 0.2-1.5bar | 103.4bar | 172.4bar | 定睛橡胶膜片及O型圈 | 1/4NPTF |

走进奥信
公司简介 联系我们解决方案
技术文章 行业应用我们的理念
用科技创新的理念撰写辉煌篇章,向世界展现一幅优品的设计蓝图。
专注的态度成就专业的品质,西安奥信与您携手追求时尚品。
购买的愉悦不仅仅是获得,更是其中的服务,以温馨的服务带来全新的体验。