美国UE压力开关 美国UE UE温度开关 UE差压开关 UE炉膛负压开关 UE高压开关 UE微压开关 H100-183
![]() |
![]() |
![]() |
![]() |
![]() |
![]() |
![]() |
| 发布时间:2021-05-14 | ||||||
工作原理
工作原理为纯机械形变导致微动开关动作。当压力增加时,作用在不同的传感压力元器件(膜片、波纹管、活塞)产生形变,将向上移动,通过栏杆弹簧等机械结构,zui终启动zui上端的微动开关,使电信号输出,设定方式从功能原理上又分成连续位移型和力平衡型。
关于炉膛负压的理解
炉膛负压是反映炉内压力大小参数,但大家在理解负压这个概念时,常常会和炉内*压力混淆,其实两者都是反映炉内压力情况的参数,但测量基准是不一样的,得到的结果也是相反的!
性能特点
● 满足UL list 和 cUL *以及CE 标准
● 单点输出(SPDT 或DPDT)
● 焊接不锈钢膜片
● 水柱级低压和差压开关
● 多种可选择的传感材料可满足各种腐蚀性介质的需求
● 光洁的不锈钢卫生级别的接口
● *宽的死区可调可满足泵类需求
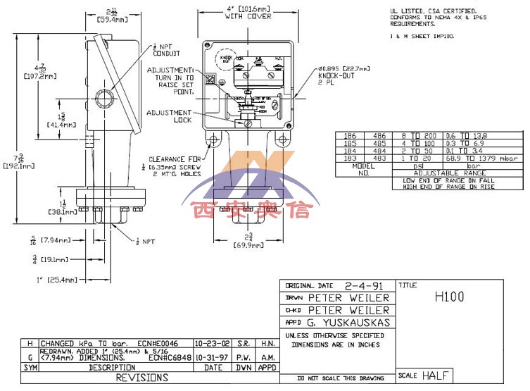
H100-183-M201 316L不锈钢膜片(可选择哈氏合金C,锰乃尔,钽等材质);氟橡胶GLT O型圈(可选Kalrez乙丙烯或者是Alflas)316L不锈钢1/2”NPTF压力接口(可选哈氏合金B或C,锰乃尔等材质),0.72”大尺寸感压孔。188及189型有一个316L不锈钢1/2”NPTF压力接口。(符合NACE MR-0175标准)。
H100-183-XY468 可调整设定范围 0.1 to 1.4 bar
系列描述
压力开关 H100型:一个单刀双掷输出;NEMA 4X外壳,环氧涂层;内部可调,有参考刻度
差压开关 H100K型:一个单刀双掷输出;NEMA 4X外壳,环氧涂层;内部可调,有参考刻度
温度开关 B100型:直插式;一个单刀双掷输出,内部可调,有参考刻度
C100型:直插式,一个单刀双掷输出,内部可调,无参考刻度
E100型:温包及毛细管式;一个单刀双掷输出,内部可调,有参考刻度
F100型:温包及毛细管式;一个单刀双掷输出,内部可调,无参考刻度
UE开关产品*
| 型号 | 可调整压力范围 | 死区 | 工作压力 | 耐压 | 接液材质 | 压力接口 |
| H100-183 | 0.1-1.4 bar | 20.7-172.4 mbar | 34.5 bar | 68.9 bar | 316L不锈钢 | 1/2”NPTF |
| H100-184 | 0.1-3.4 bar | 20.7-206.8 mbar | 34.5 bar | 68.9 bar | 316L不锈钢 | 1/2”NPTF |
| H100-185 | 0.3-6.9 bar | 34.5-413.7 mbar | 34.5 bar | 68.9 bar | 316L不锈钢 | 1/2”NPTF |
| H100-186 | 0.6-13.8 bar | 0.1-0.8 bar | 34.5 bar | 68.9 bar | 316L不锈钢 | 1/2”NPTF |
| H100-188 | 3.4-68.9 bar | 1.7-8.6 bar | 137.9 bar | 482.6 bar | 316L不锈钢 | 1/2”NPTF |
| H100-189 | 17.2-241.3 bar | 3.4-20.7 bar | 275.8 bar | 482.6 bar | 316L不锈钢 | 1/2”NPTF |


走进奥信
公司简介 联系我们解决方案
技术文章 行业应用我们的理念
用科技创新的理念撰写辉煌篇章,向世界展现一幅优品的设计蓝图。
专注的态度成就专业的品质,西安奥信与您携手追求时尚品。
购买的愉悦不仅仅是获得,更是其中的服务,以温馨的服务带来全新的体验。