美国UE炉膛压力开关 H117-524 UE本安防爆压力开关 UE开关
![]() |
![]() |
![]() |
![]() |
![]() |
![]() |
![]() |
| 发布时间:2021-05-10 | ||||||
压力开关/差压开关/温度开关
危险场合型产品: 120系列 12系列 117系列
通用型开关: 100系列 400系列 J6系列 24系列 J21K系列
电子式开关:One系列开关,可带HART协议/输出4-20mA信号/带报警
性能特点
S.P.D.T(单刀双掷):由一个常开、一个常闭触点和一个公共端构成。
D.P.D.T(双刀双掷):由一个对称的左、右公共端,两组常开、常闭端子构成。
上限一接点(常开):压力上升到设定值时,接点动作,回路导通。
下限一接点(常闭):压力下降到设定值时,接点动作,回路导通。
精度:表示设备*程度的值,包括线性度、公差、迟滞、重复性等
zui大压力(Max.P):压力范围的zui大值。
满量程(F.S):压力范围zui大值和zui小值的差值。
接断差(死区):是指开关设定动作值和复位值的差值,例如当设定、值为1MPa,实际复位值为0.9MPa时,接断差为0.1MPa。
工作温度:是指仪器的内部机构、敏感元件等工作时不会发生持续变形的温度范围。一般压力开关推荐工作温度范围为-5~400C,若介质温度过高时,可考虑加附件虹吸管(灌状),达到降温的目的。
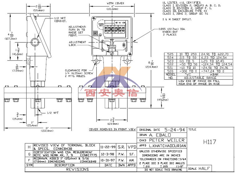
H117-524压力范围:6.2-124.5mbar (0.62-12.45Kpa) 回差:0.2-2.0mbar
H117系列压力开关常用型号
H117-520 H117-521 H117-522 H117-523 H117-524 H117-525
H117-530 H117-531 H117-532 H117-533 H117-534 H117-535
压力范围
| 型号 | 可调整压力范围 | 死区 | 工作压力 | 耐压 | 接液材质 | 压力接口 |
| H117-520 | -746.7-0mbar | 0.5-19.9mbar | 13.8bar | 27.6bar | 定睛橡胶膜片及O型圈 | 1/2NPTF |
| H117-521 | -24.9-24.9mbar | 0.2-1.5mbar | 13.8bar | 27.6bar | 定睛橡胶膜片及O型圈 | 1/2NPTF |
| H117-522 | -124.5-124.5mbar | 0.2-7.5mbar | 13.8bar | 27.6bar | 定睛橡胶膜片及O型圈 | 1/2NPTF |
| H117-523 | 1.2-12.4mbar | 0.2-0.7mbar | 13.8bar | 27.6bar | 定睛橡胶膜片及O型圈 | 1/2NPTF |
| H117-524 | 6.2-124.5mbar | 0.2-2.0mbar | 13.8bar | 27.6bar | 定睛橡胶膜片及O型圈 | 1/2NPTF |
| H117-525 | 24.9-622.3mbar | 0.2-14.9mbar | 13.8bar | 27.6bar | 定睛橡胶膜片及O型圈 | 1/2NPTF |

走进奥信
公司简介 联系我们解决方案
技术文章 行业应用我们的理念
用科技创新的理念撰写辉煌篇章,向世界展现一幅优品的设计蓝图。
专注的态度成就专业的品质,西安奥信与您携手追求时尚品。
购买的愉悦不仅仅是获得,更是其中的服务,以温馨的服务带来全新的体验。