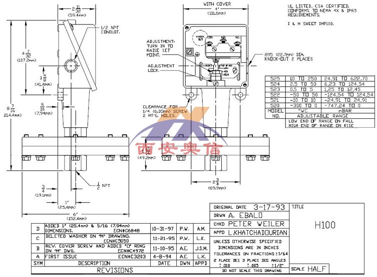
H100-523炉膛风压保护开关这款是锅炉配套炉膛压力开关,或微压气体压力开关。首先要考虑介质的腐蚀性程度。特殊的危险气体等,要考虑是否有泄漏风险,有害气体推荐选焊接式膜片,比如
![]() |
![]() |
![]() |
![]() |
![]() |
![]() |
![]() |
| 发布时间:2021-04-28 | ||||||

走进奥信
公司简介 联系我们解决方案
技术文章 行业应用我们的理念
用科技创新的理念撰写辉煌篇章,向世界展现一幅优品的设计蓝图。
专注的态度成就专业的品质,西安奥信与您携手追求时尚品。
购买的愉悦不仅仅是获得,更是其中的服务,以温馨的服务带来全新的体验。