美国UE温度开关概述
400系列 压力,差压及温度开关是一种用途多样化的开关,特别适用于需要多点输出和控制时。双点和三点设定提供多点的开关量输出,可用于报警和关断,预警和报警,高/低限。
400系列主要有单点开关、双点开关、三点开关三种;
单点开关:B400-120 直插式温度开关 温度范围-17.8-107.2℃ 直径9/16'' 插入深度:1-7/8'' 材质:镀镍黄铜 (如需加长插深 请选择代码)
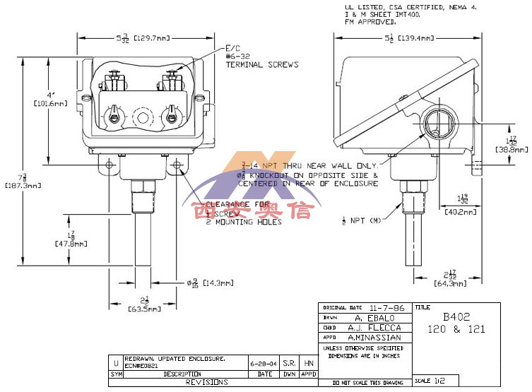
双点开关:B402-120 2*SPDT 直插式温度开关 温度范围-17.8-107.2℃ 直径9/16'' 插入深度:1-7/8'' 材质:镀镍黄铜 (如需加长插深 请选择代码)
三点开关:B403-120 3*SPDT 直插式温度开关 温度范围-17.8-107.2℃ 直径9/16'' 插入深度:1-7/8'' 材质:镀镍黄铜 (如需加长插深 请选择代码)
美国UE温度开关主要应用
·多点开关量输出用于报警和关断或预报警和报警
·高/低限控制或液位控制
·水处理和过滤系统
·工业的*装置
·其他众多工业过程和设备的理想保护
特点
● 双点和三点设定提供多点的输出
● 一、二或三个开关量输出,设定点*的范围内可分别设定
● 环氧树脂外壳设计满足 NEMA 4X 要求
● 多种膜片可供选择,如316SS,黄铜,丁晴橡胶和Teflon
● 选择参照标度或旋转螺杆调整设定点
范围
英寸水柱系列-300”水柱真空到250”水柱(-746.7到622.3mbar)
压力:30”Hg Vac to 6000psi(-1 to 413.7bar)
差压:1”wcd 压差to 200psid(0mbar to 13.8bar)
温度:-180℉ to 650℉(-117℃ to 343.3℃)
400系列温度开关常用型号
B400,单点输出,直插式,内部调整带参考刻度
B402,双点输出,直插式,内部调整带参考刻度
B403,三点输出,直插式,内部调整带参考刻度
C400,单点输出,直插式,内部调整
C402,双点输出,直插式,内部调整
C403,三点输出,直插式,内部调整
B400-120 B400-121 B402-120 B402-121 B403-120 B403-121
C400-120 C400-121 C402-120 C402-121 C403-120 C403-121
实物图


走进奥信
公司简介 联系我们解决方案
技术文章 行业应用我们的理念
用科技创新的理念撰写辉煌篇章,向世界展现一幅优品的设计蓝图。
专注的态度成就专业的品质,西安奥信与您携手追求时尚品。
购买的愉悦不仅仅是获得,更是其中的服务,以温馨的服务带来全新的体验。