J400-441-M201 美国UE压力开关 1Kpa微压报警 炉膛压力开关 美国UE开关
![]() |
![]() |
![]() |
![]() |
![]() |
![]() |
![]() |
| 发布时间:2022-11-16 | ||||||
性能特点
● 满足UL list 和 cUL *以及FM 标准
● 符合CE。
● 可选ATEX 或GOST 本安标准。
● 在全量程范围内可以1、2 或3 点输出。
● 有多种传感元件形式可选。
● 多种型号可快速供货。
美国UE开关接液材质选型注意事项
压力控制器的感压部分比较薄弱,所以一定要确认感压膜片的材质能否耐腐蚀。常规的空气,水,蒸汽,润滑油等纯净介质,选择UE选项的丁腈橡胶膜片足够用,如果是燃油,柴油,液压油,腐蚀气体,废水等,必须根据现场要求来选置膜片,不能一味追求节约成本而忽视使用寿命。316不锈钢、哈氏合金 B、C、锰乃尔合金等材质抗腐蚀焊接膜片在很多应用中代替了普通密封膜片,从而提高了在腐蚀性溶剂、特性钠、盐、有机/无机酸、碱、海水等苛刻条件下的抗氧化、抗腐蚀的能力。
◆ 产品结构紧凑,经久耐用,外形美观,加工精细
◆ 焊接不锈钢设计结构
许多型号的压力开关采用了焊接不锈钢膜片或焊接不锈钢波纹管结构,省略了“O”型环,这种无泄漏的设计提高了危险防爆区域的防火性能,同时提高了耐压性。
◆ 双点和三点输出
◆ 外部可调
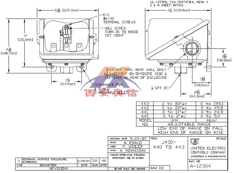
P/N:J400-441-M201 压力范围:0-24.9mbar 丁晴橡胶膜片
炉膛威压开关
J400-440-M201 J400-441-M201 J400-442-M201 J400-443-M201 J400-448-M201 J400-449V
J400-450 J400-451 J400-452 J400-454
H100-520 H100-521 H100-522 H100-523 H100-524 H100-525
技术参数
感压元件材质:Buna-N膜片+O型圈
压力接口:1/4NPTF
可调量程:-1~2.1bar
开关信号:SPDT,2*SPDT,3*SPDT
电气接口:3/4NPTF
外壳材质:铸铝壳体,环氧树脂防腐涂层
防护等级:IP66
J400系列压力范围
| 型号 | 可调范围 | 死区 | 工作压力 | 耐压 | 接液材质 | 压力接口 |
| J400-440 | 0-5mbar | 0.2-0.6mbar | 0.2bar | 15.5bar | Buna-N橡胶膜片 | 1/4NPTF |
| J400-441 | 0-24.9mbar | 0.4-0.7mbar | 0.2bar | 15.5bar | Buna-N橡胶膜片 | 1/4NPTF |
| J400-442 | 0-49.8mbar | 0.5-1.2mbar | 0.2bar | 15.5bar | Buna-N橡胶膜片 | 1/4NPTF |
| J400-443 | 0-199.1mbar | 1.2-4.5mbar | 0.2bar | 15.5bar | Buna-N橡胶膜片 | 1/4NPTF |
| J400-448 | -199.1-0mbar | 2.5-7.5mbar | 0.2bar | 15.5bar | Buna-N橡胶膜片 | 1/4NPTF |
| J400-449 | 0-49.8mbar | 2.5-5.0mbar | 0.2bar | 15.5bar | Buna-N橡胶膜片 | 1/4NPTF |
| J400-450 | -1-0bar | 3.4-13.5mbar | 0.2bar | 15.5bar | Buna-N橡胶膜片 | 1/4NPTF |
| J400-451 | 0-199.1mbar | 2.5-7.5mbar | 0.2bar | 15.5bar | Buna-N橡胶膜片 | 1/4NPTF |
| J400-452 | -1-1.4bar | 6.8-33.9mbar | 1.4bar | 15.5bar | Buna-N橡胶膜片 | 1/4NPTF |
| J400-453 | 0-1.4bar | 3.4-13.8mbar | 1.4bar | 15.5bar | Buna-N橡胶膜片 | 1/4NPTF |
| J400-454 | 0-2.1bar | 3.4-20.7mar | 2.1bar | 15.5bar | Buna-N橡胶膜片 | 1/4NPTF |


走进奥信
公司简介 联系我们解决方案
技术文章 行业应用我们的理念
用科技创新的理念撰写辉煌篇章,向世界展现一幅优品的设计蓝图。
专注的态度成就专业的品质,西安奥信与您携手追求时尚品。
购买的愉悦不仅仅是获得,更是其中的服务,以温馨的服务带来全新的体验。