4LC-K5-N4-B1A防爆压力控制器 0.2-3.5bar 防爆开关 主要特点 压力开关主要类别包括常开式和常闭式。 1、采用英制管螺纹快速接头或铜管焊接式安装结构,安装灵活,使用方便,无需特殊的
![]() |
![]() |
![]() |
![]() |
![]() |
![]() |
![]() |
| 发布时间:2025-08-08 | ||||||
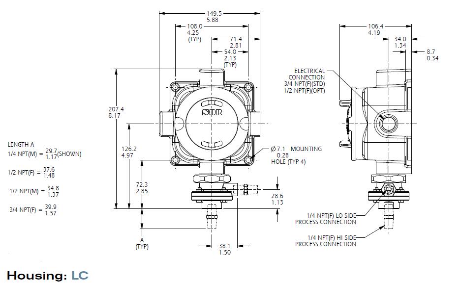
4LC-K5-N4-B1A防爆压力控制器0.2-3.5bar防爆开关
主要特点
压力开关主要类别包括常开式和常闭式。
1、采用英制管螺纹快速接头或铜管焊接式安装结构,安装灵活,使用方便,无需特殊的安装固定。
2、插片式导线式连接方可供用户任意选定。
3、密封式不锈钢感应器安全可靠。
4、压力范围内可根据用户任意选定的压力值进行制造。
压力开关是与电器开关相结合的装置,当到达预先设定的流体压力时,开关接点动作。主要应用于电厂、石化、冶金行业等工业设备上输出报警或控制信号,在工业领域中有着重要的用途,能预防生产工程中重要装置的损坏,避免了重大生产事故地发生。
技术参数
◆接点容量: 250VAC 15A , 30VDC 5(10)A
◆环境温度:可达 -54~200℃
◆防护等级: NEMA4 、 NEMA4X 、 IP65 、 IP68
4LC-K5-N4-B1A防爆压力控制器0.2-3.5bar防爆开关
| 型号 | 防爆型号 | 可调范围 | 工作压力 | 耐压 | 接液材质 |
| 4NN-K2-N4-B1A | 4LC-K2-N4-B1A | 140 to 550mbar | 50bar | 70bar |
橡胶膜片 可更换M4不锈钢膜片 |
| 4NN-K4-N4-B1A | 4LC-K4-N4-B1A | 0.14 to 1.7bar | |||
| 4NN-K5-N4-B1A | 4LC-K5-N4-B1A | 0.2 to 3.5bar | |||
| 4NN-K45-N4-B1A | 4LC-K45-N4-B1A | 0.3 to 5bar |


走进奥信
公司简介 联系我们解决方案
技术文章 行业应用我们的理念
用科技创新的理念撰写辉煌篇章,向世界展现一幅优品的设计蓝图。
专注的态度成就专业的品质,西安奥信与您携手追求时尚品。
购买的愉悦不仅仅是获得,更是其中的服务,以温馨的服务带来全新的体验。