SOR索尔开关12L-K45-M4-C1A美国SOR防爆压力控制器 产品描述 SOR压力开关采用标准的连接部件,标准型可用于空气、油、水和各种非腐蚀性介质,对于腐蚀性介质的特殊应用,SOR压力开关
![]() |
![]() |
![]() |
![]() |
![]() |
![]() |
![]() |
| 发布时间:2023-08-03 | ||||||
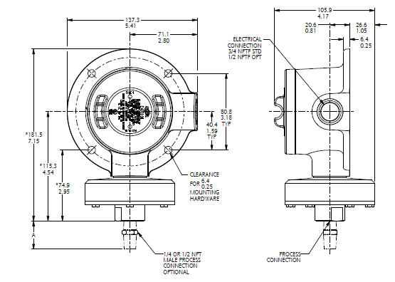
SOR索尔开关12L-K45-M4-C1A美国SOR防爆压力控制器
产品描述
SOR压力开关可用于空气、油、水和各种非腐蚀性介质,对于腐蚀性介质的特殊应用,SOR压力开关同时也提供了可选择的功能部件。SOR压力开关突出的宽整定范围和低死区性能和多接点选项完全可以替代传统的接点压力表应用,大接点容量,可以直接控制水泵和电动机等动力设备,简化控制回路,减少系统维护量,进而提高系统的可靠性和安全性。
主要特点
压力开关主要类别包括常开式和常闭式。
1、采用英制管螺纹快速接头或铜管焊接式安装结构,安装灵活,使用方便,无需特殊的安装固定。
2、插片式导线式连接方可供用户任意选定。
3、密封式不锈钢感应器安全可靠。
4、压力范围内可根据用户任意选定的压力值进行制造。
压力开关是与电器开关相结合的装置,当到达预先设定的流体压力时,开关接点动作。主要应用于电厂、石化、冶金行业等工业设备上输出报警或控制信号,在工业领域中有着重要的用途,能预防生产工程中重要装置的损坏,避免了重大生产事故地发生。
SOR索尔开关12L-K45-M4-C1A美国SOR防爆压力控制器
12L-K45-N4-B1A 防爆压力开关, 橡胶膜片, 压力范围:1 to 16 psi 70 to 1100mbar
12L-K45-M4-C1A 防爆压力开关, 不锈钢膜片, 压力范围:1 to 16 psi 70 to 1100mbar
12LC-K45-N4-B1A 防爆压力开关, 橡胶膜片, 压力范围:1 to 16 psi 70 to 1100mbar
12LC-K45-M4-C1A 防爆压力开关, 不锈钢膜片, 压力范围:1 to 16 psi 70 to 1100mbar
技术参数
接点容量:250VAC 15A,30VDC 5(10)A
环境温度:可达-54~200℃
防护等级:NEMA4、NEMA4X、IP65、IP68
隔爆:0、1、2区;Group I、Group IIA、Group IIB、Group IIC;Class I、Class II、ClassIII等
压力范围
| 防爆型号 | 可调范围 | 工作压力 | 耐压 | 接液材质 | 防爆型号 |
| 12LC-N66-N4-B1A | 1.5-6.2mbar |
14bar |
28bar |
橡胶膜片 可选:M4 M4不锈钢膜片 |
12L-N66-N4-B1A |
| 12LC-K614-N4-B1A | 6.2-110mbar | 12L-K614-N4-B1A | |||
| 12LC-K2-N4-B1A | 30-140mbar | 12L-K2-N4-B1A | |||
| 12LC-K4-N4-B1A | 35-415mbar | 12L-K4-N4-B1A | |||
| 12LC-K5-N4-B1A | 50-830mbar | 12L-K5-N4-B1A | |||
| 12LC-K45-N4-B1A | 70-1100mbar | 12L-K45-N4-B1A |

走进奥信
公司简介 联系我们解决方案
技术文章 行业应用我们的理念
用科技创新的理念撰写辉煌篇章,向世界展现一幅优品的设计蓝图。
专注的态度成就专业的品质,西安奥信与您携手追求时尚品。
购买的愉悦不仅仅是获得,更是其中的服务,以温馨的服务带来全新的体验。