美国SOR压力开关 1B3-K45-N4-F1A SOR防爆开关 SOR开关
![]() |
![]() |
![]() |
![]() |
![]() |
![]() |
![]() |
| 发布时间:2021-07-28 | ||||||
美国SOR开关介绍
SOR是世界上的开关制造,是一家集压力开关、差压开关、温度、液位、流量于一体的专业化,其产品具有耐高压、高温、防震、 防腐蚀、抗冲击力、切换差小等特点,广泛应用于石油、化工、电力、冶金、制 药、造纸、食品等行业。
SOR压力开关可用于空气、油、水和各种非腐蚀性介质,对于腐蚀性介质的特殊应用,SOR压力开关同时也提供了可选择的功能部件。SOR压力开关突出的宽整定范围和低死区性能和多接点选项完全可以替代传统的接点压力表应用,大接点容量,可以直接控制水泵和电动机等动力设备,简化控制回路,减少系统维护量,进而提高系统的可靠性和安全性。
主要特点
压力开关主要类别包括常开式和常闭式。
1、采用英制管螺纹快速接头或铜管焊接式安装结构,安装灵活,使用方便,无需特殊的安装固定。
2、插片式导线式连接方可供用户任意选定。
3、密封式不锈钢感应器安全可靠。
4、压力范围内可根据用户任意选定的压力值进行制造。
压力开关是与电器开关相结合的装置,当到达预先设定的流体压力时,开关接点动作。主要应用于电厂、石化、冶金行业等工业设备上输出报警或控制信号,在工业领域中有着重要的用途,能预防生产工程中重要装置的损坏,避免了重大生产事故地发生。
工作原理
是当系统内压力高于或低于额定的安全压力时,感应器内碟片瞬时发生移动,通过连接导杆推动开关接头接通或断开,当压力降至或升额定的恢复值时,碟片瞬时复位,开关自动复位,或者简单的说是当被测压力超过额定值时,弹性元件的自由端产生位移,直接或经过比较后推动开关元件,改变开关元件的通断状态,达到控制被测压力的目的。压力开关采用的弹性元件有单圈弹簧管、膜片、膜盒及波纹管等。
| 型号 | 可调范围 | 工作压力 | 耐压 | 接液材质 |
|
9B3-K4-N4-F1A-CL 9B3-K4-M4-C1A |
7 to 35bar | 170bar | 410bar |
橡胶膜片 可选:M4 M4不锈钢膜片 |
|
9B3-K5-N4-F1A-CL 9B3-K5-M4-C1A |
14 to 70bar | |||
|
9B3-K45-N4-F1A-CL 9B3-K45-M4-C1A |
14 to 120bar | |||
|
1B3-K45-N4-F1A-CL 1B3-K45-M4-C1A |
35 to 275bar | 170bar | 410bar |

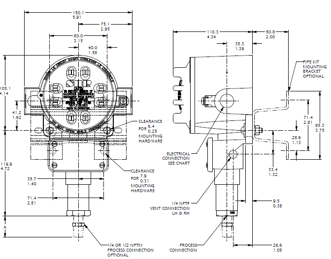
尺寸图

走进奥信
公司简介 联系我们解决方案
技术文章 行业应用我们的理念
用科技创新的理念撰写辉煌篇章,向世界展现一幅优品的设计蓝图。
专注的态度成就专业的品质,西安奥信与您携手追求时尚品。
购买的愉悦不仅仅是获得,更是其中的服务,以温馨的服务带来全新的体验。