美国SOR压力开关 美国SOR SOR温度开关 SOR差压开关 SOR炉膛负压开关 SOR高压开关 SOR微压开关 美国SOR核电压力开关 203RN-EE125-U9-C7A
![]() |
![]() |
![]() |
![]() |
![]() |
![]() |
![]() |
| 发布时间:2021-06-18 | ||||||
美国SOR温度开关特性:
双(高 - 低) SOR温度开关在这个目录中可能有两个设定点来指定。这两个设置点 可能是9月在同一驱动要么点或分头到满刻度之间不存在交互作用 设定点。双高 - 低可与密封,防爆,UL标准和CSA 通过*的电气开关元件,或有多种选择的UL和CSA* 快动开关用于交流和直流的服务元素。外壳选用必须是V1或 V2。
美国SOR温度开关工作原理:
利用蒸汽压力热系统。流体压力变化的蒸汽 可以预见,根据温度对感测的影响 灯泡。过程中温度变化引起的比例蒸气压 作用于膜片的感温泡更改/ 和活塞组件,以促动快动退动 在离散过程中的电气开关元件 温度。该仪器的行为是 由蒸汽压力原理决定。
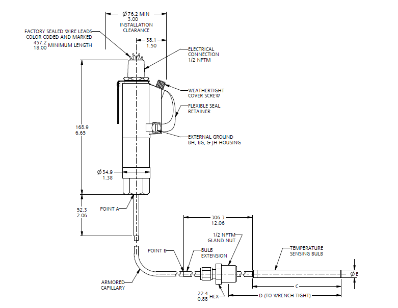
203RN-EE125-U9-C7A美国SOR温度开关 不锈钢毛细管式温度开关
美国SOR开关蒸气压原理的特性:
1、远程安装感应灯泡,316不锈钢毛细管与300系列 SS装甲使得仪器是面板 安装和灯泡也可以位于远程的。 标准300系列SS装甲保护 毛细管。
2、快动电气开关元件,长寿命,高承载能力,高环境 温度限制,抗振动, 单刀双掷或双刀双掷开关动作, 可选的“密封”胶囊 用于危险区域和敌对。
3、名单/*, 通过UL选择机型,CSA,ATEX, TESTSAFE,GOST l符合大多数代码和客户 要求。
4、安全*符合IEC 61508(SIL),SOR产品*IEC 61508 在SIL1和SIL2非冗余使用 安全仪表系统的* 模型。欲了解更多详情或适用的价值观 特定的产品,请参阅安全 完整性等级快速指南。
V1系列特点
◆压力/真空/复合开关◆抗恶劣环境◆ CSA、CE*◆双设定点,配刻度线◆整定范围1~275bar
◆zui小标准死区0.007bar ◆典型标准死区0.3bar ◆zui大标准死区7bar
V2系列特点
◆压力/真空/复合开关◆防爆抗恶劣环境◆ UL/CSA Class I、Group ◆ A、Div 1和DEMKO Eex
◆ m II以及SAA Ex s IIC ◆ T6*◆双设定点,配刻度线◆整定范围1~275bar
◆zui小标准死区0.007bar ◆典型标准死区0.3bar ◆zui大标准死区7bar
美国SOR温度开关常规型号:
温度开关203RN-EE125-U9-C7A
203NN-K115-U9-C7A
203L-K115-U9-C7A
203BA-KB115-U9-C7A
203NN-K125-U9-C7A
203L-K125-U9-C7A
203BA-KB125-U9-C7A
203NN-K135-U9-C7A
203L-K135-U9-C7A
203BA-KB135-U9-C7A
201NN-K115-U9-C7A
201L-K115-U9-C7A
201AH-EF115-U9-C7A
201NN-K125-U9-C7A
201L-K125-U9-C7A
201AH-EF125-U9-C7A
201NN-K135-U9-C7A
201L-K135-U9-C7A
201AH-EF135-U9-C7A
实物图


走进奥信
公司简介 联系我们解决方案
技术文章 行业应用我们的理念
用科技创新的理念撰写辉煌篇章,向世界展现一幅优品的设计蓝图。
专注的态度成就专业的品质,西安奥信与您携手追求时尚品。
购买的愉悦不仅仅是获得,更是其中的服务,以温馨的服务带来全新的体验。