美国SOR压力开关 美国SOR SOR温度开关 SOR差压开关 SOR炉膛负压开关 SOR高压开关 SOR微压开关 美国SOR核电压力开关 201NN-KK125-U9-C7A
![]() |
![]() |
![]() |
![]() |
![]() |
![]() |
![]() |
| 发布时间:2021-06-18 | ||||||
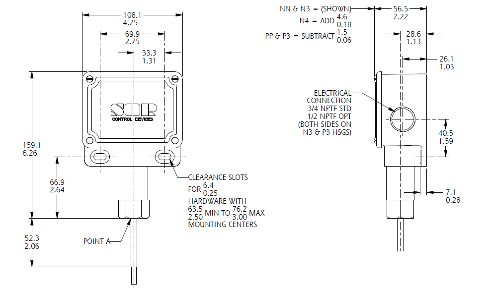
直插式美国SOR温度开关201NN-KK125-U9-C7A 耐温270℃
美国SOR介绍:
美国SOR主要产品为压力、差压、温度、流量及液位开关,所有产品全部采用*质量标准,分普通型和防爆型两大类产品,产品的主要*机构有:。 SOR的开关量仪表主要采用膜片活塞式结构,有耐高压、高温、防震、防腐蚀、抗冲击力、切换差小等特点、广泛应用于石油、化工、电力冶金、药品、造纸、食品、水处理等行业。例:201AG-AD135-U9-C7A
美国SOR特点:
SOR以其产品的多样性、高质量和良好的售后服务,赢得了客户的大力支持,使其广泛应用于电力、石油天然气、化工、水处理、造纸、冶金等行业,在已经形成了强大的队伍和完善的售后服务网络。
美国SOR具有以下优点:
1.动作点稳定,不会受冲击、振动、温度变化或其他环境条件影响。
2.不会因为压力的波动而引起节点抖动,清晰明朗的开或关的状态。
3.减少了因波动、接点振动、疲劳、过早磨损及其他压力开关普遍存 在问题的负面影响。
4.寿命长、稳定性好、动作*、重复性高。
5.特别适合开关联锁保护,跳闸等的逻辑应用,如:过热蒸汽压力保护、汽包压力保护、再热蒸汽压力保护等。
高温环境,温度从 -65°F到 1000°F
·大工作压力为128bar
·控制器单元为不锈钢或者高温陶瓷,抗高温、抗腐蚀
·干净/含有杂质液体
·全系列为ANSI/ASME 标准
·*
流量开关参数:
适用介质小比重: 0.40
产品承受高温度: 121 ℃
产品承受高压力: 102 bar
可测高 / 低流量: 230GPM /20 GPM
直插式温度传感器
*无套管的情况下,316不锈钢可承受的zui大压力为2300 psi(105量程的可承受1000psi);响应时间快,成本低。
远传式温度传感器
*300系列不锈钢铠装可以让仪器面板316不锈钢毛细管安装和灯泡可远程定位。
*300系列的不锈钢铠装可以保护毛细管。
美国SOR温度开关常规使用型号规格:
| 201AG-AD135-U9-C7A |
| 201AH-EF125-U9-C7A |
| 201B3-KK115-U9-C7A-CL |
| 201LC-K115-U9-C7A |
| 201L-EE125-U9-C7A |
| 201NN-K125-U9-C7A |
| 201NN-K135-U9-C7A |
| 201NN-KK125-U9-C7A |
| 201V1-K125-U9-C7A |
| 203A-A1B-B-B4-N4-C2C4ETX |
| 203A-A1B-B-Y1-N4 |
| 203A-A1D-B-A1-S3-CLRRYYA4 |
| 203A-C1D-B-A1-S3-CLRRYYA4 |
| 203NN-K105-U9-C7A |
| 203RN-EE125-U9-C7A |
| 205A-A1B-B-Y1-N4 |
| 209AH-KK125-U9-C7A |
实物图


走进奥信
公司简介 联系我们解决方案
技术文章 行业应用我们的理念
用科技创新的理念撰写辉煌篇章,向世界展现一幅优品的设计蓝图。
专注的态度成就专业的品质,西安奥信与您携手追求时尚品。
购买的愉悦不仅仅是获得,更是其中的服务,以温馨的服务带来全新的体验。