美国SOR压力开关 美国SOR SOR温度开关 SOR差压开关 SOR炉膛负压开关 SOR高压开关 SOR微压开关 美国SOR核电压力开关 美国SOR防爆温度开关 203NN-K125-U9-C7A
![]() |
![]() |
![]() |
![]() |
![]() |
![]() |
![]() |
| 发布时间:2024-06-20 | ||||||
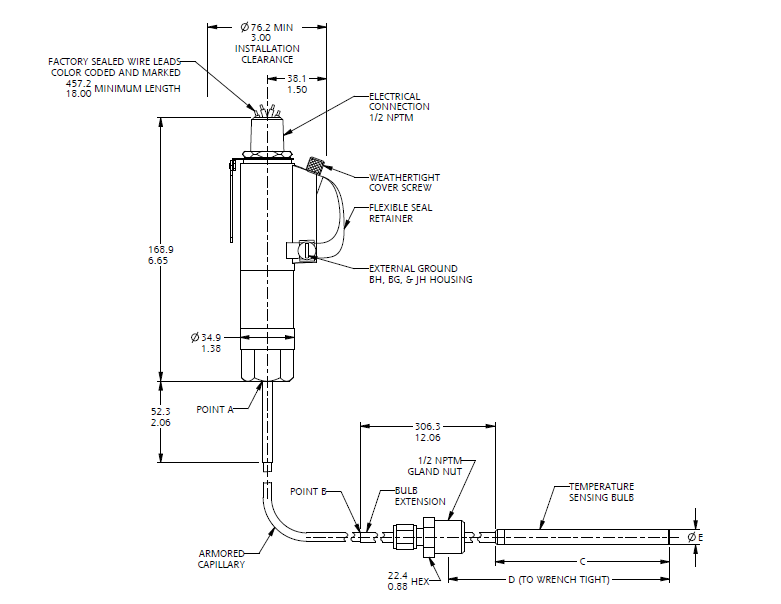
美国SOR不锈钢毛细管温度开关203NN-K125-U9-C7A美国SOR温度控制器
美国SOR简介:
美国SOR主要产品为压力、差压、温度、流量及液位开关,所有产品全部采用*质量标准,分普通型和防爆型两大类产品,产品的主要*机构有:。 SOR的开关量仪表主要采用膜片活塞式结构,有耐高压、高温、防震、防腐蚀、抗冲击力、切换差小等特点、广泛应用于石油、化工、电力冶金、药品、造纸、食品、水处理等行业。
美国SOR温度开关特性:
制范围从-45oC-595oC,分四级控制
双设置点温度开关可以独立控制两点不同的温度值
压力式温度开关的灵敏度高,每升高或降低1oC会引起0.15-0.2kg/cm2的压力变化,且反应时间快
·全密封式温度开关适应于任何环境
·高温环境,温度从 -65°F到 1000°F
·大工作压力为128bar
·控制器单元为不锈钢或者高温陶瓷,抗高温、抗腐蚀
·干净/含有杂质液体
·全系列为ANSI/ASME 标准
·*
美国SOR不锈钢毛细管温度开关203NN-K125-U9-C7A美国SOR温度控制器
203NN-K205-U9-C7A
203NN-K215-U9-C7A
203NN-K225-U9-C7A
203NN-K235-U9-C7A
美国SOR开关常规使用型号:
| 12NN-N66-N4-B1A | 17RB-K2-N4-B1A |
| 12NN-K2-N4-B1A | 18RB-K5-N4-B1A |
| 12NN-K5-N4-B1A | 1AG-EF45-U9-C1A |
| 12NN-K45-N4-B1A | 1BA-KB45-N4-C2A-PKTB |
| 201AG-AD135-U9-C7A | 1NN-EE45-M4-C1A |
| 201AH-EF125-U9-C7A | 1NN-EE45-M4-F1A |
| 201B3-KK115-U9-C7A-CL | 1NN-EE45-N1-C2A |
| 201LC-K115-U9-C7A | 1NN-K45-N4-C1A |
| 201L-EE125-U9-C7A | 1NN-K45-N4-C2A |
| 201NN-K125-U9-C7A | 1NN-K45-N4-F1A |
| 201NN-K135-U9-C7A | 1NN-K45-N4-F2A |
| 201NN-KK125-U9-C7A | 1NN-KK45-N1-F1A |
| 201V1-K125-U9-C7A | 1NN-KK45-N4-F1A |


走进奥信
公司简介 联系我们解决方案
技术文章 行业应用我们的理念
用科技创新的理念撰写辉煌篇章,向世界展现一幅优品的设计蓝图。
专注的态度成就专业的品质,西安奥信与您携手追求时尚品。
购买的愉悦不仅仅是获得,更是其中的服务,以温馨的服务带来全新的体验。