美国SOR压力开关 美国SOR SOR温度开关 SOR差压开关 SOR炉膛负压开关 SOR高压开关 SOR微压开关 美国SOR核电压力开关 美国SOR防爆温度开关 203L-K125-U9-C7A
![]() |
![]() |
![]() |
![]() |
![]() |
![]() |
![]() |
| 发布时间:2021-07-20 | ||||||
美国SOR防爆温度开关203L-K125-U9-C7A美国SOR开关
什么是美国SOR温度开关?
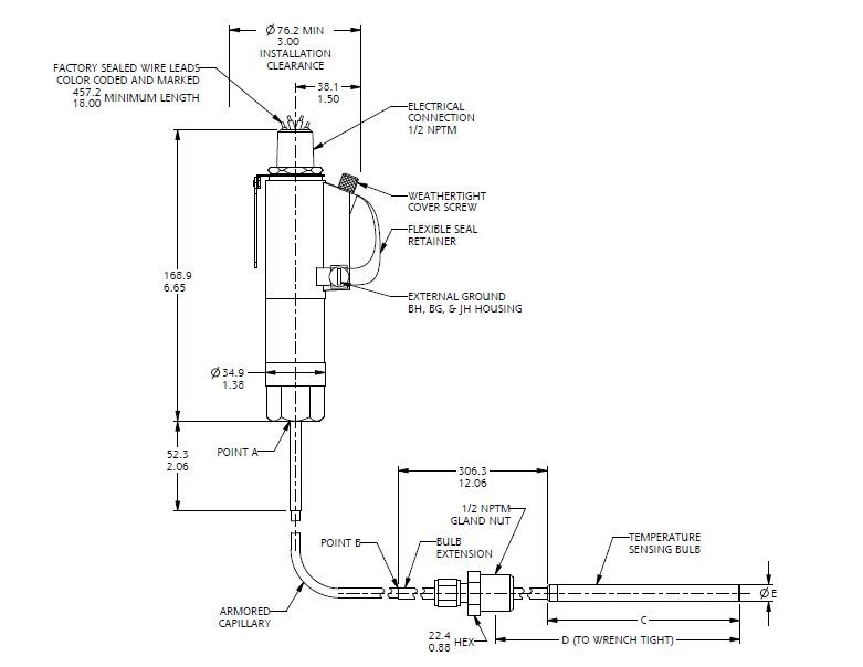
如何SOR温度开关厂 该SOR温度开关包括具有一个密封的温度感测的压力开关的 灯泡直接连接到压力端口。 (可选的远程温度检测灯泡可 连接到带有装甲的毛细管压力端口)的温度传感系统 被部分地填充有流体。过程中温度变化引起的比例蒸气压 该作用在隔膜/活塞组件来驱动的温度感测灯泡的变化 并在退动离散过程温度快动电气开关元件。该 乐器的行为是由蒸气压原则确定。 (在105范围内单位是相似的, 除了填充液是惰性气体。)
美国SOR温度开关特性:
双(高 - 低) SOR温度开关在这个目录中可能有两个设定点来指定。这两个设置点 可能是9月在同一驱动要么点或分头到满刻度之间不存在交互作用 设定点。双高 - 低可与密封,防爆,UL标准和CSA 通过*的电气开关元件,或有多种选择的UL和CSA* 快动开关用于交流和直流的服务元素。外壳选用必须是V1或 V2。
美国SOR防爆温度开关203L-K125-U9-C7A美国SOR开关
直插式常规型号:
201NN-K115-U9-C7A 201L-K115-U9-C7A
201AH-EF115-U9-C7A 201NN-K125-U9-C7A
201L-K125-U9-C7A 201AH-EF125-U9-C7A
201NN-K135-U9-C7A 201L-K135-U9-C7A
201AH-EF135-U9-C7A
远传式常规型号:
203NN-K115-U9-C7A 203L-K115-U9-C7A
203BA-KB115-U9-C7A 203NN-K125-U9-C7A
203L-K125-U9-C7A 203BA-KB125-U9-C7A
203NN-K135-U9-C7A 203L-K135-U9-C7A
203BA-KB135-U9-C7A 205NN-K135-U9-C7A
205L-K135-U9-C7A 207NN-K115-U9-C7A
207L-K115-U9-C7A 209NN-K125-U9-C7A
209L-K125-U9-C7A
美国SOR开关系列介绍:
NN系列特性
◆压力/真空/复合开关◆抗恶劣环境◆ CSA、CE*◆低成本、经济型◆单设定点,配刻度线
◆整定范围1~480bar ◆zui小标准死区0.007bar ◆典型标准死区0.3bar ◆zui大标准死区7bar
RN系列特点
◆压力/真空/复合开关◆抗恶劣环境◆ CSA、CE*◆端子接线◆zui小标准死区0.007bar
◆典型标准死区0.3bar ◆zui大标准死区7bar
V1系列特点
◆压力/真空/复合开关◆抗恶劣环境◆ CSA、CE*◆双设定点,配刻度线◆整定范围1~275bar
◆zui小标准死区0.007bar ◆典型标准死区0.3bar ◆zui大标准死区7bar
V2系列特点
◆压力/真空/复合开关◆防爆抗恶劣环境◆ UL/CSA Class I、Group ◆ A、Div 1和DEMKO Eex
◆ m II以及SAA Ex s IIC ◆ T6*◆双设定点,配刻度线◆整定范围1~275bar
◆zui小标准死区0.007bar ◆典型标准死区0.3bar ◆zui大标准死区7bar
实物图


走进奥信
公司简介 联系我们解决方案
技术文章 行业应用我们的理念
用科技创新的理念撰写辉煌篇章,向世界展现一幅优品的设计蓝图。
专注的态度成就专业的品质,西安奥信与您携手追求时尚品。
购买的愉悦不仅仅是获得,更是其中的服务,以温馨的服务带来全新的体验。