美国SOR压力开关 美国SOR SOR温度开关 SOR差压开关 SOR炉膛负压开关 SOR高压开关 SOR微压开关 美国SOR核电压力开关 207NN-K115-U9-C7A
![]() |
![]() |
![]() |
![]() |
![]() |
![]() |
![]() |
| 发布时间:2021-07-19 | ||||||
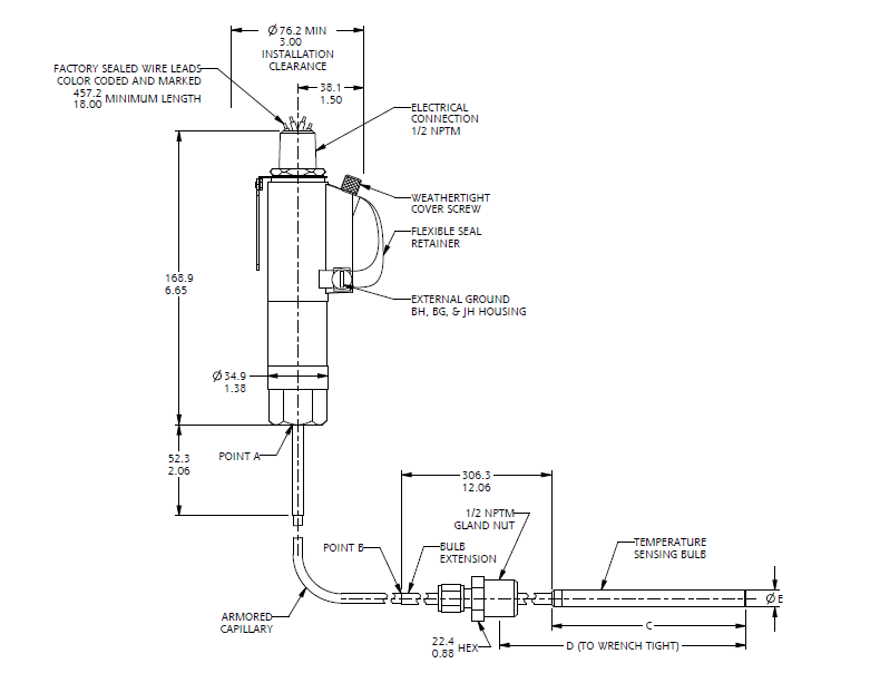
美国SOR温度开关207NN-K115-U9-C7A SOR开关
SOR温度开关工作原理
温度开关是由一个有直接连接到压力接口的密封温度传感器的压力开关组成。远传式温度传感器可以通过一个铠装毛细管连接到压力接口。该温度感测系统填充有特殊的液体。过程温度变化引起的温度感测灯泡,其作用在隔膜/活塞组件,以激活和去激活一个快动电气开关元件在分立的工艺温度成正比蒸气压力的变化。
SOR温度开关:
以压力开关结构形式为基础,在引压口处加装温包、毛细管等温度感应元件
承受被测介质温度:590 °C
承受zui大工作压力:158bar
温度设定点可调范围:-45 °C~540 °C
美国SOR防爆温度开关207NN-K115-U9-C7A SOR开关
美国SOR开关常规使用型号:
| 1710A-G2A-C-A1-H1-ZZ | 201AG-AD135-U9-C7A |
| 1710A-G2A-C-A4-H1-ZZ | 201AH-EF125-U9-C7A |
| 1710-G2A-C-V1-H1-CLMRC1C4 | 201B3-KK115-U9-C7A-CL |
| 1710A-G2A-C-A1-H1-00 | 201LC-K115-U9-C7A |
| 17RB-EE2-N4-C1A | 201L-EE125-U9-C7A |
| 17RB-EE3-N4-C1A | 201NN-K125-U9-C7A |
| 17RB-K2-N4-B1A | 201NN-K135-U9-C7A |
| 18RB-K5-N4-B1A | 201NN-KK125-U9-C7A |
| 1AG-EF45-U9-C1A | 201V1-K125-U9-C7A |
| 1BA-KB45-N4-C2A-PKTB | 203A-A1B-B-B4-N4-C2C4ETX |
| 1NN-EE45-M4-C1A | 203A-A1B-B-Y1-N4 |
| 1NN-EE45-M4-F1A | 203A-A1D-B-A1-S3-CLRRYYA4 |
| 1NN-EE45-N1-C2A | 203A-C1D-B-A1-S3-CLRRYYA4 |
| 1NN-K45-N4-C1A | 203NN-K105-U9-C7A |
| 1NN-K45-N4-C2A | 203RN-EE125-U9-C7A |
| 1NN-K45-N4-F1A | 205A-A1B-B-Y1-N4 |
| 1NN-K45-N4-F2A | 209AH-KK125-U9-C7A |


走进奥信
公司简介 联系我们解决方案
技术文章 行业应用我们的理念
用科技创新的理念撰写辉煌篇章,向世界展现一幅优品的设计蓝图。
专注的态度成就专业的品质,西安奥信与您携手追求时尚品。
购买的愉悦不仅仅是获得,更是其中的服务,以温馨的服务带来全新的体验。