美国SOR压力开关 美国SOR SOR温度开关 SOR差压开关 SOR炉膛负压开关 SOR高压开关 SOR微压开关 美国SOR核电压力开关 209AH-KK125-U9-C7A
![]() |
![]() |
![]() |
![]() |
![]() |
![]() |
![]() |
| 发布时间:2021-07-16 | ||||||
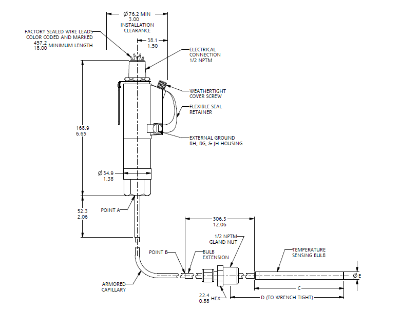
美国SOR温度开关209AH-KK125-U9-C7A毛细管式SOR温度开关
美国SOR温度开关厂
该SOR温度开关包括具有一个密封的温度感测的压力开关的 灯泡直接连接到压力端口。 (可选的远程温度检测灯泡可 连接到带有装甲的毛细管压力端口)的温度传感系统 被部分地填充有流体。过程中温度变化引起的比例蒸气压 该作用在隔膜/活塞组件来驱动的温度感测灯泡的变化 并在退动离散过程温度快动电气开关元件。该 乐器的行为是由蒸气压原则确定。 (在105范围内单位是相似的, 除了填充液是惰性气体。)
SOR温度开关:
以压力开关结构形式为基础,在引压口处加装温包、毛细管等温度感应元件
承受被测介质温度:590 °C
承受zui大工作压力:158bar
温度设定点可调范围:-45 °C~540 °C
美国SOR温度开关209AH-KK125-U9-C7A毛细管式SOR温度开关
美国SOR开关蒸气压原理的特性:
1、远程安装感应灯泡,316不锈钢毛细管与300系列 SS装甲使得仪器是面板 安装和灯泡也可以位于远程的。 标准300系列SS装甲保护 毛细管。
2、快动电气开关元件,长寿命,高承载能力,高环境 温度限制,抗振动, 单刀双掷或双刀双掷开关动作, 可选的“密封”胶囊 用于危险区域和敌对。
3、名单/*, 通过UL选择机型,CSA,ATEX, TESTSAFE,GOST l符合大多数代码和客户 要求。
4、安全*符合IEC 61508(SIL),SOR产品*IEC 61508 在SIL1和SIL2非冗余使用 安全仪表系统的* 模型。欲了解更多详情或适用的价值观 特定的产品,请参阅安全 完整性等级快速指南。
美国SOR温度开关常规型号:
| 201AG-AD135-U9-C7A | 203A-A1B-B-B4-N4-C2C4ETX |
| 201AH-EF125-U9-C7A | 203A-A1B-B-Y1-N4 |
| 201B3-KK115-U9-C7A-CL | 203A-A1D-B-A1-S3-CLRRYYA4 |
| 201LC-K115-U9-C7A | 203A-C1D-B-A1-S3-CLRRYYA4 |
| 201L-EE125-U9-C7A | 203NN-K105-U9-C7A |
| 201NN-K125-U9-C7A | 203RN-EE125-U9-C7A |
| 201NN-K135-U9-C7A | 205A-A1B-B-Y1-N4 |
| 201NN-KK125-U9-C7A | 209AH-KK125-U9-C7A |
| 201V1-K125-U9-C7A |


走进奥信
公司简介 联系我们解决方案
技术文章 行业应用我们的理念
用科技创新的理念撰写辉煌篇章,向世界展现一幅优品的设计蓝图。
专注的态度成就专业的品质,西安奥信与您携手追求时尚品。
购买的愉悦不仅仅是获得,更是其中的服务,以温馨的服务带来全新的体验。