索尔差压控制器 微差压开关 107EL-EF12-P1-F0A防爆差压开关 SOR开关
![]() |
![]() |
![]() |
![]() |
![]() |
![]() |
![]() |
| 发布时间:2023-09-20 | ||||||
107EL-EF12-P1-F0A防爆差压开关 SOR开关
差压开关工作原理
差压开关由2个膜盒腔组成,两个腔体分别由两片密封膜片和一片感差压膜片密封。高压和低压分别进入差压开关的高压腔和低压腔,感受到的差压使感压膜片形变,通过栏杆弹簧等机械结构,zui终启动zui上端的微动开关,使电信号输出。
应用
SOR的开关量仪表主要采用膜片活塞式结构,有耐高压、高温、防震、防腐蚀、抗冲击力、切换差小等特点、广泛应用于石油、化工、电力冶金、药品、造纸、食品、水处理等行业。
美国SOR特性
SOR压力开关可用于空气、油、水和各种非腐蚀性介质,对于腐蚀性介质的特殊应用,SOR压力开关同时也提供了可选择的功能部件。SOR压力开关突出的宽整定范围和低死区性能和多接点选项完全可以替代传统的接点压力表应用,大接点容量,可以直接控制水泵和电动机等动力设备,简化控制回路,减少系统维护量,进而提高系统的可靠性和安全性。
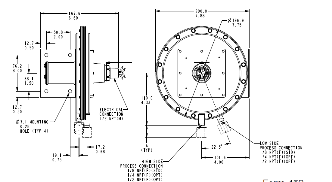
107EL-EF12-P1-F0A防爆差压开关 SOR开关开关SOR炉膛差压控制器 差压调节范围0-305mm水柱/0-3KPa 耐压10Psi/0.69bar 过程接口1/8“NPTF 电气接口1/2NPTM
107防爆差压开关
型号 开关类型 可调范围(mm wc) 回差(mm wc)
107EL-EF12-P1-F0A SPDT 0-305 7.5
107EL-EG12-P1-F0A DPDT 0-305 13
107EL-EF40-P1-F0A SPDT 125-1000 15
107EL-EG40-P1-F0A DPDT 125-1000 20
差压开关性能参数
·控制差压的范围从0到175kg/cm2,多级控制
·微压差控制为0-305mm水柱
·在高工作压力(100kg/cm2)情况下可实现微差压控制(170mm水柱)
·可适用于系统静压突变的工况
·死区分别可调,范围0.1%-* 满量程
·常开,常闭点可自行设置
·重复性 0.1%
·显示:显示范围可达满量程的1.5倍
·12 种可选显示单位
·变送器: 两线制回路供电
·自诊断功能
·5:1 调节比
差压开关安装注意事项
1、控压设定值*选在调节范围的20%-80%之间。
2、介质温度过高时,可在压力接口前加螺旋冷却管。
3、仪表安装方便,墙装、管装均能正常工作。若安装在室外,应给予必要的保护。
4、须专业人员维修,像胶密封垫老化后应及时更换。
107EL-EF12-P1-F0A防爆差压开关 SOR开关


走进奥信
公司简介 联系我们解决方案
技术文章 行业应用我们的理念
用科技创新的理念撰写辉煌篇章,向世界展现一幅优品的设计蓝图。
专注的态度成就专业的品质,西安奥信与您携手追求时尚品。
购买的愉悦不仅仅是获得,更是其中的服务,以温馨的服务带来全新的体验。