发布时间:2025-12-08 11:12
美国UE防爆压力开关J120系列 UE开关ATEX隔爆型压力控制器说明
120系列是工业开关的理想选择,适用于具有潜在爆炸可能或高腐蚀性环境的工作地点。这款通过SIL 2级*的开关支持各种压力、真空、压差和温度控制场合,并提供工业流程连接、接液材料和各种类型的传感器。通过其通用而灵活平台,可在工厂快速调整型号设定,如量程范围、工艺连接和触点容量等,以满足特殊工业需求。化工、石油化工、石油精炼加工、石油天然气和制药等行业的生产与运输都需要用到这款SIL*的120系列开关。
美国UE防爆压力开关

120系列概述
1、本产品使用不当可能导致爆炸以及人员受伤。安装本设备之前,必须完整且仔细地阅读产品的说明文件。
2、安装之前,需核实所选购传感器型号与其传感器和接液部件所接触工艺介质之间的兼容性。
3、120 系列适用于 CLASS I,DIV. 1,GROUPS B、C、D 场所;CLASS II,DIV. 1,GROUPS E、F、G 场所;CLASS III 危险场所。外壳类型 4X,IP66。环境温度范围 -50°C (-58°F) 到71°C (160°F)。
4、ATEX 和 IEC 具体使用条件:防火连接的尺寸规格不同于EN 60079-1/IEC 60079-1 第 2 部分表 1 中规定的*小值或*大值。压力操作开关需携带 X 标记,且防火连接的尺寸规格如下:
❶120 系列各型• 激活柱塞到调节螺栓的孔隙连接:*小长度1.140 in/28.96 mm,*大环状间隙 0.0039in/0.099 mm。• 柱塞导轨与外壳之间的螺纹连接:*小 8 ½ 全啮合螺纹。• 盖板与外壳之间的螺纹连接:*小 7 ½ 全啮合螺纹。
❷ 121 系列及 122 系列各型• 激活柱塞到外壳的孔隙连接:*小长度 1.000 in/25.40 mm,*大环状间隙0.0030 in/0.076 mm。• 调节轴到轴的孔隙连接:*小长度1.050 in/26.67 mm,*大环状间隙0.0035 in/0.089 mm。• 盖板与外壳之间的螺纹连接:*小 7 ½ 全啮合螺纹。
5、ATEX 和 IEC 具体使用条件:外壳含铝。必须注意避免因撞击或摩擦导致的起火危险。该产品不含任何可现场更换部件。替换任何部件均将导致机构*失效,并破坏针对 CLASS I,DIV.1 场所的适用性。
6、为避免引燃危险气体环境,请在拆开前断开供电线路。电路带电情况下务必保证盖子拧紧。
7、禁止对交付后的设备进行改造或修改。如有必要予以改造,须首先咨询*商西安奥信。
技术参数
冲击:设定点在持续 10 ms 的 15 G 冲击后恢复。
振动 :设定点在频率 5-500 Hz 的 2.5 G 冲击后恢复。
外壳 :铸铝件,有环氧粉末涂层,配备密封垫圈、盖板锁J、C、F 型标配为内置设定点锁定;B、H、E 型配备密封垫圈不锈钢防篡改刻度表盘护盖;铝制铭牌。
外壳保护分级: 经*达到外壳类型 4X。Class I, Division 1 产品满足外壳类型 7 要求;Class II, Division 1 产品满足外壳类型 9 要求。经*满足 IP66 要求。危险场所相关信息请见“*”部分内容。
开关输出:一个或两个 SPDT;双开关可分离,*高可达量程的 *。开关可能需要接线为常开式或常闭式。参考刻度表盘 B、E、H 型:外置刻度表盘。刻度表盘的不同分区因量程而异(见型号表)。
电气接口:H、B、E 型:一个 3/4” NPT 接口,带接线端子。J、C、F 型:两个 3/4” NPT 接口,带接线端子。
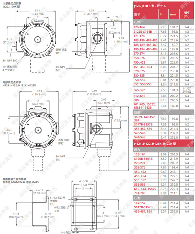
压力连接:详细信息请参阅型号表。提供有 1/2”、1/4”、1/8” NPT 阴螺纹接头可选。还提供有 1-1/2”齐平式卫生级接头可选。

120系列压力开关型号表
J120-520 J120-521 J120-522 J120-523 J120-524 J120-525 J120-530 J120-531 J120-532 J120-533 J120-534 J120-535 J120-565 J120-566 J120-567 J120-171 J120-172 J120-173 J120-174 J120-183 J120-184 J120-185 J120-186 J120-188 J120-189 J120-483 J120-484 J120-485 J120-486 J120-488 J120-489 J120-S126B J120-S134B J120-137B J120-S144B J120-S152B J120-S156B J120-S164B J120-190 J120-191 J120-192 J120-193 J120-194 J120-490 J120-491 J120-492 J120-493 J120-494 J120-126 J120-134 J120-137 J120-144 J120-152 J120-156 J120-164 J120-356 J120-358 J120-361 J120-376 J120-270 J120-274 J120-612 J120-616 J120-680 J120-701 J120-702 J120-703 J120-704 J120-705 J120-450 J120-452 J120-451 J120-453 J120-454 J120-550 J120-551 J120-552 J120-553 J120-554 J120-555 J120-15622 J120-15834 J120-15835 J120-15836 J120-15837 J120-15838 J120-15839
H121-15875 H121-S126B H121-S134B H121-S137B H121-S144B H121-S146B H121-S156B H121-S164B H121-126 H121-134 H121-137 H121-144 H121-146 H121-156 H121-164 H121-358 H121-361 H121-376 H121-612 H121-614 H121-270 H121-274 H121-450 H121-452 H121-453 H121-454 H121-550 H121-552 H121-553 H121-554 H121-555 H121-701 H121-702 H121-703 H121-704 H121-705 H122-S126B H122-S134B H122-S144B H122-S146B H122-S156B H122-S164B H122-126 H122-134 H122-144 H122-146 H122-156 H122-164 H122-358 H122-361 H122-376 H122-612 H122-614 H122-270 H122-274 H122-450 H122-452 H122-453 H122-454 H122-550 H122-552 H122-553 H122-554 H122-555 H122-702 H122-703 H122-704 H122-705 H122P-S126B H122P-S134B H122P-S144B H122P-S146B H122P-S156B H122P-S164B H122P-126 H122P-134 H122P-144 H122P-146 H122P-156 H122P-164 H122P-270 H122P-274 H122P-358 H122P-361 H122P-376 H122P-450 H122P-452 H122P-453 H122P-454 H122P-550 H122P-552 H122P-553 H122P-554 H122P-555 H122P-612 H122P-614
120系列安装
• 螺丝刀• 活动扳手 1-1/2”/
1、将本设备安装在冲击、振动、温度波动等环境因素均*小的位置。请勿将本设备安装在环境温度超过铭牌所示限制的位置。
2、设备带有两个 3/4” NPT 电气套管连接口,均可在安装期间使用。随附提供有一个 3/4”防爆塞,用于堵住不使用的电气接口。防爆塞必须正确安装,该部件经*属于本设备的一部分,不单独携带*标识。
3、本设备的连接应采用电缆入口件或与所在使用环境相适、正确安装且经过防爆*达到‘d’级保护能力的保护盒。
4、本设备安装方向不限,但建议竖直安装,避免水汽进入外壳。
5、如果预期将出现大幅压力波动,请考虑使用压力缓冲装置。
6、对于压力开关产品可以通过压力端口直接安装。压力连接的螺母务必使用扳手予以紧固。请勿通过转动本产品外壳的方式拧紧连接,否则将造成传感器受损或焊接点强度受损。
7、本产品的压差型号安装时应在高压侧和低压侧连接螺母处使用扳手予以紧固,或首先安装固定到坚固支架上,然后连接高压和低压连接口。
接线注意事项
1、进行本设备接线之前,需断开所有供电线路。请按照所在地的当地和*电气规范进行接线。*大建议接线尺寸规格为14 AWG,现场接线端子建议紧固扭矩为 7 到 17 IN-LBS。电缆入口必须采用具有适当额定规格的防爆密封接头。
2、仅使用90°C(194°F)*小额定铜导线。当环境温度低于-10°C(14°F)时,请在现场选用合适的接线。
3、使用中请勿超过铭牌所示额定电气规格。使开关超载将导致故障,甚至*运行周期便会出现故障。
4、外部接线端子不得用于主要的设备接线端子。应将内部接地端子用作主要的设备接线端子,如果当地主管部门允许或要求,则仅可将外部接线端子用作补充(辅助)接地。
5、为避免造成点火源或危险气体环境,应在本设备外壳的 18”范围内使用密封套管。
6、确保电气套管入口正确密封,以防止湿气侵入。
7、为避免外壳盖板卡住,请勿清除螺纹处的润滑剂。螺纹处应没有灰尘或其他污染物。
接线步骤
❶ 拆下盖板,对本设备进行接线(见图 3)。❷ 直接接线至端子块。内部接线端子位于靠近右侧套管连接口处。❸ 装回盖板,用手拧紧以使盖板的 O 形圈形成密封。

美国UE120系列产品尺寸图

美国UE防爆压力开关 UE开关ATEX隔爆型压力控制器说明

走进奥信
公司简介 联系我们解决方案
技术文章 行业应用我们的理念
用科技创新的理念撰写辉煌篇章,向世界展现一幅优品的设计蓝图。
专注的态度成就专业的品质,西安奥信与您携手追求时尚品。
购买的愉悦不仅仅是获得,更是其中的服务,以温馨的服务带来全新的体验。