发布时间:2021-11-01 15:28
电接点压力表控制水泵接线图
1.电接点压力表应用
在电接点压力表装置的电接触信号针上,装有可调节的*磁钢,可以增加接点吸力,加快接触动作,从而使触点接触可靠,消除电弧,能有效的避免仪表由于工作环境振动或介质压力脉动造成触点的频繁关断。所以电接点压力表具有动作可靠、使用寿命长、触点开关功率较大等优点。
2.电接点压力表适用范围
电接点压力表适用于测量无爆炸危险、不结晶、不凝固及对铜和铜合金不起腐蚀作用的液体、气体和蒸气等介质的压力。当其配以相应的电气元器件时,即能对被测(控)的压力系统实现发信(报警)和自动控制。
3.电接点压力表控制水泵结构原理
电接点压力表由测量系统、指示系统、磁助电接点装置、外壳、调整装置和接线盒(插头座)等组成。一般电接点压力表是用于测量对铜和铜合金不起腐蚀作用的气体、液体介质的正负压力,不锈钢电接点压力表用于测量对不锈钢不起腐蚀作用的气体、液体介质的正负压力并在压力达到预定值时发出信号,接通控制电路,达到自动控制的报警得目的。
电接点压力表基于测量系统中的弹簧管在被测介质的压力作用下,迫使弹簧管之末端产生相应的弹性变形一位移,借助拉杆经齿轮传动机构的传动并予放大,由固定齿轮上的指示(连同触头)逐将被测值在度盘上指示出来。与此同时,当其与设定指针上的触头(上限或下限)相接触(动断或动合)的瞬时,致使控制系统中的电路得以断开或接通,以达到自动控制和发信报警的目的。
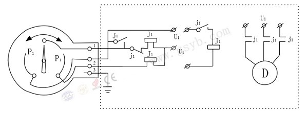
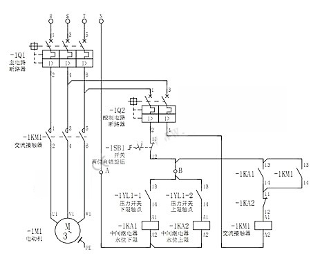
4.电接点压力表控制水泵接线图种类

电接点压力表控制水泵接线图种类



电接点压力表控制水泵接线图种类 电接点压力表控制水泵接线图种类 电接点压力表控制水泵接线图种类 电接点压力表控制水泵接线图种类
下一篇:压力表使用检修维护保养更换
走进奥信
公司简介 联系我们解决方案
技术文章 行业应用我们的理念
用科技创新的理念撰写辉煌篇章,向世界展现一幅优品的设计蓝图。
专注的态度成就专业的品质,西安奥信与您携手追求时尚品。
购买的愉悦不仅仅是获得,更是其中的服务,以温馨的服务带来全新的体验。