发布时间:2021-11-01 15:22
差压压力表广泛应用于医药、供暖、气体管道、燃烧装置、空气调节及很多工业领域。
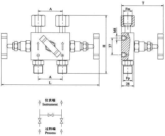
差压压力表安装方式
1、差压压力表应垂直安装于与测量点保持同一水平的位置上,否则须酌情计入由液位差引起的附加误差。
2、差压压力表接头上标有“H”的为高压端,标有“L”的为低压端。
3、差压压力表在测量差压时,其差压值可使用到标度范围上限值的75%以内,系统的*大静压值应不超过仪表规定的*大静压值。
4、按图所示,安装时应在仪表的高、低压端入口前设置平衡(安全)阀(阀1),并应处于开启位置,待阀2、阀3全部开启后再将平衡阀关闭。

5、差压压力表在使用前应仔细核实被测介质对其产生的侵蚀程度,以免使波纹管导致早期腐蚀损坏。
6、差压压力表在定期维修时,如必须开启表盖时,宜借助专用工具进行。
7、差压压力表在受温度变化而引起示值误差增大并直接影响测量的准确性时,可剪去表壳上的护塞凸台。
上一篇:压力表常见故障维修
走进奥信
公司简介 联系我们解决方案
技术文章 行业应用我们的理念
用科技创新的理念撰写辉煌篇章,向世界展现一幅优品的设计蓝图。
专注的态度成就专业的品质,西安奥信与您携手追求时尚品。
购买的愉悦不仅仅是获得,更是其中的服务,以温馨的服务带来全新的体验。