HEP-16-PTM 阀门定位设备 带反馈4-20mA信号 阀门控制器
![]() |
![]() |
![]() |
![]() |
![]() |
![]() |
![]() |
| 发布时间:2021-07-05 | ||||||
产品描述
HEP-16 PTM电-气阀门定位器的作用是把调节装置输出的电信号变成驱动调节阀动作的气信号,而且具有阀门定位功能,即克服阀杆摩控力,抵消被调价质压力变化而引起的不平衡力,从而使阀门开度对应于调节装置输出的控制信号,实现正确定位。
产品特点
1、具有可靠性高、体积小、重量轻等特点。
2、磁电组件部分采用新型动圈结构,可靠、稳定、线性好。
3、除防爆接线盒外,在危险性区域现场可打开壳盖进行调整及检修。
4、量程、零点调整钮采用手轮式,调整方便、并带有锁定装置。
5、配有与各类型执行机构相配的安装板及附件,故安装容易、调整方便。
6、防爆性能:本安型防爆等级iaⅡCT5 隔爆型防爆等级dⅡCT6。
7、结构紧凑,精密可靠本产品零部件精密压铸,外形及内部结构制作工艺精致,各机构经优化组合设计,整机结构紧凑,采用不锈钢紧固件和*的喷朔工艺处理.生产制造标志*性等,具备了良好的防腐性能。
8、本定位器可根据要求.附采用活动可调节阻尼机构,使具有输出流量可调的特点。
HEP-16 PTM电-气阀门定位器,带反馈装置
技术参数
精度:小于全行程±1%。
回差:小于全行程1%。
死区:小于全行程0.4%。
特性:线性可改变成快开、等百分比特性。
气源压力:0.14-0.16MPa 0.17-0.5MPa。
大流量:140NL/min当气源压力在0.14MPa时。
耗气量:5NL/min当气源压力在0.14MPa时。
环境温度:-25℃~+55℃。
环境湿度:10-90%RH。
大行程速度:4mm/秒配ZH -22执行机构时。
输入阻抗:250 Ω4-20mADC 100Ω10-50mADC。
电气连接:G1/2螺纹。
气管连接:卡套式气管接头φ6或φ8。
防爆防护型式等级:隔爆型dDiibt6,本质*型 iiaIICT6
外壳材料:铝合金 喷朔工艺处理
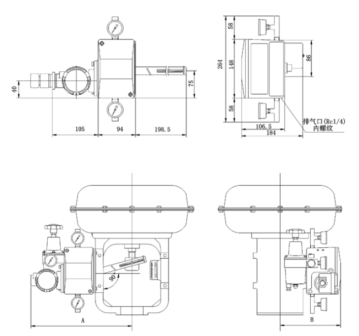
外形尺寸:392.5*141.5*231mm长*宽*高
重 量: 3.5kg
常用型号
HEP-15 HEP-16 HEP-17 HEP-25 HEP-26 HEP-27
HEP-15RC HEP-16RC HEP-17RC HEP-25RC HEP-26RC HEP-27RC
使用注意事项
(1)请使用通过过滤器净化的空气。
(2)调整完后,请固定好下列位置的紧固螺钉。
a.连接组件的圆柱头螺钉。
b.行程调节件的圆柱头螺钉。
c.行程锁紧螺钉。
(3)防止电磁组件受冲击或轴受力过大,以保证电磁组件的性能。
(4)本公司装配的定位器,喷嘴的位置已调好,*不要松开和移位,如果喷嘴挡板的位置发生偏移,请先松开喷嘴部件的两个螺钉,推喷嘴轻轻地靠近挡板,使定位器输出到气源压力,然后固定喷嘴部件的位置。
(5)防爆产品的安装使用注意事项:
a.采用Ф9±1mm 的二芯护套电缆安装。
b.必须可靠接地。
c.必须在安*所进行维修。
d.安装场所应不存在对铝合金有腐蚀的有害气体。
e.用户必须遵守中华人民共和国爆炸危险场所电气安全规程(试行)。
f.安全栅的安装使用必须遵守安全栅说明书的要求进行。
g.有关防爆元器件损坏必须经我公司负责更换。
h.必须断开电源后方可开盖。
安装尺寸

走进奥信
公司简介 联系我们解决方案
技术文章 行业应用我们的理念
用科技创新的理念撰写辉煌篇章,向世界展现一幅优品的设计蓝图。
专注的态度成就专业的品质,西安奥信与您携手追求时尚品。
购买的愉悦不仅仅是获得,更是其中的服务,以温馨的服务带来全新的体验。