选用原则
⒈电动调节阀选用主要控制参数为:公称直径、设计公称压力、介质允许温度范围、流量系数等。
⒉对于要求流量和开启高度成正比例关系的严格场合,应选用专用调节阀。球阀和蝶阀一般粗调时可以选用。
⒊阀门的密封性能是考核阀门质量优劣的主要指标之一。阀门的密封性能主要包括两个方面,即内漏和外漏。内漏是指阀座与关闭件之间对介质达到的密封程度。外漏是指阀杆填料部位的泄露,中口垫片部位的泄露以及阀体因铸造缺陷造成的泄露。外漏是不允许发生的。
⒋调节阀理想流量特性有快开、抛物线、线性、等百分比四种,需根据实际工作流量特性选择具有合适流量特性的调节阀。
⒌ZDLP电动调节阀公称直径的选取应根据所需阀门流通能力确定。调节阀公称直径不应过大或过小。过大,增加工程成本,并且阀门处于低百分比范围内,调节精度降低,使控制性能变差。过小,增加系统阻力,甚至会出现阀门*开启时,系统仍无法达到设定的容量要求。
产品描述
ZDLP 电子式电动单座调节阀,由3810L型(或PSL系列)直行程电子式电动执行机构和直通单座阀组成。内含饲服功能, 接受统一的4-20mA或1-5V·DC 的标准信号,将电流信号转 变成相对应的直线位移,自动地控制调节阀开度,达到对管道 内流体的压力、流量、温度、液位等工艺参数的连续调节。 适用于对泄露量要求严格、阀前后压差低及有一定粘度和 含少量纤维介质的场合。
ZDLP-16:电子式电动调节阀,反馈信号:4-20mA ,控制信号:4-20mA
常用型号
ZDLP-16 DN50 ZDLP-16 DN100 ZDLP-16 DN150
ZDLP-16K DN25 ZDLP-16C-40 ZDLP-16R DN25
ZDLJP-16 DN50 ZDLJP-16K DN65 ZDLJP-16B/DN40
技术参数
| 型式 | 直通单座铸造球型阀 |
| 公称通径 | 25、32、40、50、65、80、100、125、150、200mm |
| 公称压力 | PN1.6、4.0、6.4MPa |
| 法兰标准 | JB/T79.1-94、79.2-94等 |
| 材料 | 铸钢(ZG230-450)、铸不锈钢(ZG1Cr18Ni9Ti、ZG1Cr18Ni12Mo2Ti)等 |
| 上阀盖 | 标准型-17~+230℃、散热型+230~+450℃、低温型-60~-196℃、波纹管密封型-40~+350℃ |
| 压盖型式 | 螺栓压紧式 |
| 填料 | V型聚四氟乙烯填料、含浸聚四氟乙烯石棉填料、石棉纺织填料、石墨填料 |
| 阀芯型式 | 单座柱塞型阀芯 |
| 流量特性 | 等百分比特性和线性特性 |
| 材 料 | 不锈钢(1Cr18Ni9Ti、1Cr18Ni12Mo2Ti、17-4PH、9Cr18、316L)、不锈钢堆焊司太莱合金、钛和耐腐蚀合金等。 |
| 技术参数 | 电源电压:220V/50Hz 输入信号:4-20mA或1-5V·DC 输出信号:4-20mA·DC |
| 防护等级:相当IP55 隔爆标志:ExdⅡBT4 手操功能:手柄 | |
| 环境温度:-25~+70℃ 环境湿度:≤95% |
| 型号 | 381LSA-08 | 381LSA-20 | 381LSB-30 | 381LSB-50 | 381LSC-65 | 381LSC-99 | 381LSC-160 |
| 隔爆型号 | 381LXA-08 | 381LXA-20 | 381LXB-30 | 381LXB-50 | 381LXC-65 | 381LXC-99 | 381LXC-160 |
| 输出力推(N) | 800 | 2000 | 3000 | 5000 | 6500 | 10000 | 16000 |
| *大行程L(mm) | 30 | 60 | 100 | ||||
| 工作速度(mm/S) | 4.2 | 2.1 | 3.5 | 1.7 | 2.8 | 2 | 1 |
| 主要技术参数 | 电源电压:220V/50Hz 输入信号:4-20mA或1-5V·DC 输出信号:4-20mA·DC | ||||||
| 防护等级:相当IP55 隔爆标志:ExdⅡBT4 手操功能:手柄 | |||||||
| 环境温度:-25~+70℃ 环境湿度:≤95% | |||||||
| 公称通径DN(mm) | 25 | 32 | 40 | 50 | 65 | 80 | 100 | 125 | 150 | 200 |
| 阀座直径dN(mm) | 26 | 32 | 40 | 50 | 65 | 80 | 100 | 125 | 150 | 200 |
| 额定流量系数Kv | 8 | 13 | 22 | 32 | 50 | 80 | 120 | 200 | 280 | 450 |
| 额定行程L(mm) | 16 | 25 | 40 | 60 | ||||||
| 配用执行机构型号 | 381LS/XA-20 | 381LS/XB-30 | 381LS/XB-50 | 381LS/XC-65 | ||||||
| 允许压差(Mpa) | 3.0 | 2.0 | 1.8 | 1.05 | 1.16 | 0.67 | 0.47 | 0.39 | 0.26 | 0.16 |

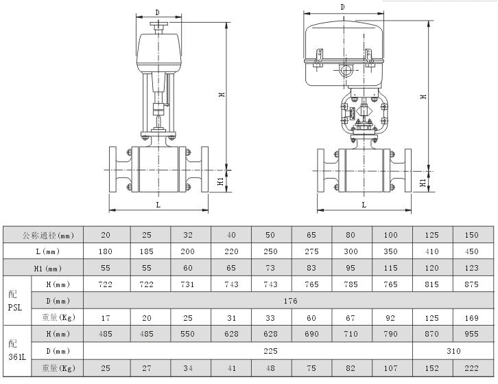
尺寸图

走进奥信
公司简介 联系我们解决方案
技术文章 行业应用我们的理念
用科技创新的理念撰写辉煌篇章,向世界展现一幅优品的设计蓝图。
专注的态度成就专业的品质,西安奥信与您携手追求时尚品。
购买的愉悦不仅仅是获得,更是其中的服务,以温馨的服务带来全新的体验。