美国dwyer 1640系列高低两位动作,带盲区的浮动触点控制微差压开关简介:
1640中独有的电开关设计是Dwyer又--创新,Dwyer1640型号差压开关集成了前顶所提1630系列开关的特性。但是1640 型号装配有一个单刀,双掷浮动触点开关(不是快速动作),所以具有盲区开关的功能。下图示意展现了开关的动作过程。当压力变化时隔膜产生位移,并移动浮动触点来触发开关,在两个预设点之间的移动没有任何开关动作。当差压上升动作到预设点时,“高”电路将会关闭。当差压降到预设点时,“低”电路将会关闭。
一个典型的应用就是当系统中的静压达到要求的*大时,控制马达调节挡板,当静压下降到预先设定的*小值时。在控制马达来调节档板使用1640型号开关的托皮管敏感元件可以使用同样的方法控制空气速率和维持管道空气补给量恒定。
注意:因为开关的额定值*小,所以1640 开关总是和具有载流能力的继电器-起使用。
美国dwyer核心价值观:
满足并超越客户和市场的期望
形象持续研发与产品开发
高度自动化和灵活的制造能力
图像提供高质量,可靠,现成的产品和解决方案
全球和市场营销形象
美国dwyer 1640系列常规使用型号:
1640-0
1640-1
1640-2
1640-5
1640-10
开关的调节.
1640型开关的“高”动作端在校准的刻度盘上显示在透明壳内。.
简单的用螺丝刀就可以在刻度调节到需要的设定点开关的“低”动作端调节是在开关顶部壳内设定盲区的宽度。
1640系列典型连接配线:
压力升高带动“高”触头关闭,引起电机反时针方向选转。减压带动“低”触点关闭,引起电机顺时针旋转。当触头浮动在盲区时时,开关没有任何动作,电机处于休息状态。
技术指标
介质:空气和不易燃,兼容气体
材质:请向咨询
温度范围: -30至110°F (-34.4 至43.3°C)
压励范围:持续10 psig (68.95 kPa),25 psig (172.4kPa) 冲击压力
开关类型:单刀双掷(SPDT)浮动触头(没有快速动作)
电气指标: Non-inductive- - 2.5A @ 110VAC; 1.5A @ 220 VAC; 1 A @24 VDC; 0.5A @ 110 VAC; Inductive- 1 A@ 110 VAC;
0.5A @ 220VAC; 0.5 A @ 24 VDC (De-rate 70-80% for very slow pressure changes)
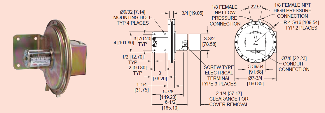
气接口: 3个旋紧接线端,-般,常开和常闭
连接件: 1/8" NPT内螺纹
安装定位:膜片用于垂直方向。其它定位请向咨询
设定点调节:螺旋式
重量: 4Ib,130z (2.18 kg)
机构*: CE
注意:只能和空气或兼容气体一起使用。
实物图
